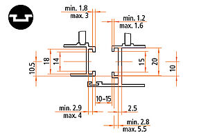
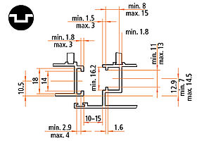
VL-Band G
- Phiên bản bản lề cho rãnh Euronut và rãnh 16 mm
- Hành trình điều chỉnh lớn 6 hướng
- Dấu hiệu trên thân bản lề để điều chỉnh chính xác
- Phù hợp cho cả hệ thống profile mở vào và mở ra
- Lắp ráp tiện lợi không cần dụng cụ đặc biệt
- Sử dụng được DIN trái/DIN phải
- Bản lề được lắp ráp sẵn phần lớn



